- 電気回路の経験値を増やしたい
- 簡単に電気を見える化したい
- 正常な電圧を把握したい
- 実車を使用せずにサーキットテスタの使い方をマスターしたい
- 自分で回路を作成してみたい
電気の回路の故障診断を依頼されてドキッとしたことはありませんか?
電気回路が苦手だから簡単・安全に電気回路の勉強ができたらいいなと思っていませんか?
自分に解決できるのだろうか?と私はいつも不安を抱えていました。
電気回路が得意になった今だからわかりますが、そのように不安に思う原因はズバリ「故障診断の方法がわからない」からです。
故障診断の方法がわかればみなさん不安に思わないはずです。
特に電気回路が苦手だったわたしはサーキットテスタは使用せずに、経験と勘を頼りに整備を行っていました。
ある日、助手席のパワーウィンドウが作動しない車両が入庫しました。
その車の故障診断を任されたものの、電気が苦手なわたしは経験と勘を頼りに助手席パワーウィンドウスイッチを交換しましたが直りません。
次に運転席のパワーウィンドウスイッチだろうと思い、運転席スイッチを交換しましたが直りません。
それならモータだろうと交換しますが直りません。
このあたりから、不安がMAXに・・・
「もうハーネスしかないだろう」ということで交換したところ直りました。
結局のところ原因はハーネスの断線だったわけですが、サーキットテスタを使用して故障診断を行っていればすぐにハーネスの断線に気づくことができたはずでした。
この事象がきっかけで、「故障診断に不安を抱えながら整備士をやっていくのは嫌だな」と思い、電気の勉強を一から始めるようになります。
その時に勉強に使用したのが「電脳サーキット」です。
この記事では電脳サーキットを使用した電気回路の勉強方法をお伝えします。
ぜひ電脳サーキットを使用して電気回路の理解を深めてください。
4649メカニッ君コンニチハ!
30代半ばで国家1級整備士一発合格。
整備士技術コンクール全国大会3年連続出場。
うち2回は2位を獲得。
整備士歴15年
自分のスキルが人の役に立つ事を夢見て記事を書いている
よろしくメカニッ君と申します。
すぐに「電脳サーキットを使い倒す方法」をご覧になりたい方はこちらをご覧ください。
電脳サーキットとは


「電脳サーキット」は、子供から大人まで楽しめる電子回路組み立てキットです。
簡単な組み立て方と、図面を参考にすることで、初めての電子回路から複雑な回路まで組み立てることができます。
この商品を通じて、電子回路の仕組みを学び、論理的思考力やプログラミングの基礎知識などを養うことができます。
実際に東京の小学校の授業で取り扱われていることから、簡単でありながら安全に学習することが可能であると実証されています。
また、車の電気回路の勉強にも取り入れることができます。
是非、「電脳サーキット」を通じて、車の電気回路の理解を深めてください。
電脳サーキットはとにかく簡単に回路を作成することができる
「電脳サーキット」はとにかく簡単に回路を作成することが可能です。
回路図でいうところの配線のハンダ付け不要です。
スナップワイヤー(配線)同士の接続はスナップボタンで「パチン!」とはめるだけです。


電脳サーキットは安心して使用することができる
電気と聞くと「感電しそう」、「なんかコワい」みたいなイメージがあるかもしれませんが、子供が使用することを前提に作成されているので安全に設計されています。
例えば、実際の車の回路をショートさせてしまった場合瞬間的に大電流が流れて火花がでたりヒューズが切れたりします。
電脳サーキットでは回路を短絡させてしまった場合でも、電源ボックスに内蔵された安全装置で回路に大電流が流れることを防いでくれます。
とはいうものの、安全装置がついているからといって故意にショートさせることは安全装置の故障に繋がるためおすすめしません。


電脳サーキットが車の電気回路の勉強に最適な理由


- 【実際に回路を組み立てることで理解が深まる】
「電脳サーキット」を使用することで、実際に回路を組み立てることができます。これによって、理論的な知識だけでなく、実際の仕組みも理解することができます。 - 【手軽な学習方法】
「電脳サーキット」は、手軽な学習方法が提供されています。図面を参考にすることで、簡単に回路を組み立てることができます。 - 【論理的思考力を養える】
「電脳サーキット」を使用することで、論理的思考力を養うことができます。これらは、車の電気回路を勉強する上でも役立つスキルです。 - 【車の電気回路に特化した学習】
「電脳サーキット」は、電気回路に特化した学習ができます。車の電気回路を勉強する上で、最適な学習ツールとなります。
このような理由から、「電脳サーキット」は車の電気回路を勉強する上で最適な学習ツールとなります。
実際に回路を組み立てながら学ぶことができ、理解が深まり、手軽な学習方法となります。
回路を作成するだけではなく、サーキットテスタを用いて電圧を測定することも可能です。
電圧を測定することで、サーキットテスタ使用の経験値が蓄積されていきます。
実際に私自身はそうでしたが、サーキットテスタを使用して電圧測定をしても「この数値は正しいのか?」と不安になり、最終的には勘に頼って部品交換なんてことがありました。
電圧測定に自身を持つためには、サーキットテスタを使用し経験値を上げていくしかありません。
電脳サーキットで車の電気回路の勉強をするメリットとデメリット
電脳サーキットで電気回路の勉強をするメリット・デメリットは以下の通りです。
| メリット | デメリット |
|---|---|
| 電気回路測定の経験値が上がる 安心・簡単に回路の作成ができる 誤った電気の知識を実践を用いて改善できる 反復練習が可能 電子部品の基本作動を深く理解できる 成功体験を得る事ができる 片付けが容易 勉強で使用しなくなっても子供のおもちゃとして再利用可能 | 金額が高い 電源が3V、又は6Vであり、車の電圧(12V)とは異なる |
このように電脳サーキットを用いて電気回路の勉強をすることは「金額高い」、「車の電圧と異なる」というデメリットがあるものの、「安心・簡単に回路が作成できる」、「電気回路測定の経験値が上がる」、「反復練習が可能」など電気回路の勉強において重要な事を学ぶことができる数多くのメリットをあなたに提供してくれます。
回路の勉強におすすめな電脳サーキットの種類


ズバリおすすめは「電脳サーキット500」です。
なぜ電脳サーキット500が必要なのか?
それは、車の回路を再現させるには、大量のスナップワイヤー(車でいうと配線)、継電器(リレー)、トランジスタ、可変抵抗などの複数のパーツが必要になるからです。
これらがすべて揃っているのが電脳サーキット500になります。
電脳サーキットシリーズ別の特徴
電脳サーキットシリーズ別比較表
電脳サーキット500 | 電脳サーキット300 | 電脳サーキット100 | |
|---|---|---|---|
| パーツの内容量 | 73個 | 61個 | 29個 |
| 実験数 | 511通り | 305通り | 130通り |
| 汎用性 | 抜群 | 普通 | あまりない |
| 収納性 (箱のサイズ) | 39×49×5[cm] | 33.5×47×5[cm] | 24.5×38×4.5[cm] |
| 価格(定価) ※下段の<>内は 500へアップグレード時の金額 | 17,991円(税込) | 12,491円(税込) <19,482円(税込み)> | 6,490円(税込) <18,981円(税込)> |
| おすすめ度 | 110点 | 80点 | 70点 |
購入する | 購入する | 購入する |
電脳サーキットシリーズ別パーツ
| 電脳サーキット500 | 電脳サーキット300 | 電脳サーキット100 |
| ベース基盤×1 | ベース基盤×1 | ベース基盤×1 |
| 1-スナップワイヤ×6 | 1-スナップワイヤ×6 | 1-スナップワイヤ×3 |
| 2-スナップワイヤ×12 | 2-スナップワイヤ×9 | 2-スナップワイヤ×5 |
| 3-スナップワイヤ×4 | 3-スナップワイヤ×4 | 3-スナップワイヤ×3 |
| 4-スナップワイヤ×2 | 4-スナップワイヤ×2 | 4-スナップワイヤ×1 |
| 5-スナップワイヤ×2 | 5-スナップワイヤ×1 | 5-スナップワイヤ×1 |
| 6-スナップワイヤ×1 | 6-スナップワイヤ×1 | ホイッスルチップ×1 (警笛回路) |
| 7-スナップワイヤ×1 | 7-スナップワイヤ×1 | フォトレジスタ×1 |
| ホイッスルチップ×1 (警笛回路) | ホイッスルチップ×1 (警笛回路) | スライド式スイッチ×1 |
| スライド式スイッチ×1 | スライド式スイッチ×1 | 押しボタンスイッチ×1 |
| 押しボタンスイッチ×1 | 押しボタンスイッチ×1 | カラーLED×1 |
| フォトレジスタ×1 | フォトレジスタ×1 | 3Vランプ×1 |
| アンテナコイル×1 | アンテナコイル×1 | バッテリホルダー×1 |
| 緑色発光ダイオード×1 | 緑色発光ダイオード×1 | スピーカー×1 |
| 6Vランプ×1 | 6Vランプ×1 | ミュージックIC×1 |
| マイク×1 | マイク×1 | アラームIC×1 |
| パワーアンプ集積回路×1 | パワーアンプ集積回路×1 | スペースIC×1 |
| 0.02μFコンデンサー×1 | 0.02μFコンデンサー×1 | モータ×1 |
| 0.1μFコンデンサー×1 | 0.1μFコンデンサー×1 | ジャンプワイヤー(赤)×1 |
| 10μFコンデンサー×1 | 10μFコンデンサー×1 | ジャンプワイヤー(黒)×1 |
| 100μFコンデンサー×1 | 100μFコンデンサー×1 | プロペラ×1 |
| 470μFコンデンサー×1 | 470μFコンデンサー×1 | |
| 赤色発光ダイオード×1 | 赤色発光ダイオード×1 | |
| 2.5Vランプ×1 | 2.5Vランプ×1 | |
| バッテリホルダ×2 | バッテリホルダ×2 | |
| スピーカー×1 | スピーカー×1 | |
| ミュージックIC×1 | ミュージックIC×1 | |
| アラームIC×1 | アラームIC×1 | |
| スペースIC×1 | スペースIC×1 | |
| モータ×1 | モータ×1 | |
| 1kΩ抵抗器×1 | 1kΩ抵抗器×1 | |
| 5.1kΩ抵抗器×1 | 5.1kΩ抵抗器×1 | |
| 10kΩ抵抗器×1 | 10kΩ抵抗器×1 | |
| 100Ω抵抗器×1 | 100Ω抵抗器×1 | |
| 100kΩ抵抗器×1 | 100kΩ抵抗器×1 | |
| 高周波集積回路×1 | 高周波集積回路×1 | |
| PNP型トランジスタ×1 | PNP型トランジスタ×1 | |
| NPN型トランジスタ×1 | NPN型トランジスタ×1 | |
| 調整抵抗器×1 | 調整抵抗器×1 | |
| 可変コンデンサー×1 | 可変コンデンサー×1 | |
| ジャンプワイヤー(赤)×1 | ジャンプワイヤー(赤)×1 | |
| ジャンプワイヤー(黒)×1 | ジャンプワイヤー(黒)×1 | |
| モータ用プロペラ×1 | モータ用プロペラ×1 | |
| ダイオード×1 | ||
| 継電器(リレー)×1 | ||
| アナログメータ×1 | ||
| LEDディスプレイ×1 | ||
| FMモジュール×1 | ||
| 変圧器×1 | ||
| サイリスタ×1 | ||
| 録音IC×1 |
電脳サーキット500の特徴
「電脳サーキット500」は価格が定価で17,991円(税込)と若干高めなのがデメリットですが、パーツの内容量が73個と豊富で、実験数も511通りと多彩です。
さらに、汎用性が抜群で電気回路の勉強に最適です。
特に車の電気回路を学ぶ上で必要な部品が含まれており、そのための回路を自由に組み立てることができます。
車の電気回路の勉強に必要な道具を一式そろえることができるので、「電脳サーキット500」がおすすめです。
電脳サーキット300の特徴
「電脳サーキット300」は、パーツの内容量が61個で、実験数は305通りと豊富です。デメリットとしては(継電器)リレーが付属していないことです。
車の電気回路では継電器(リレー)を使用することが多いので継電器(リレー)はほしいところです。
初めて電子回路を学ぶ人でも簡単に組み立てることができます。箱のサイズは33.5×47×5[cm]とコンパクトで、収納性にも優れています。価格は定価で12,491円(税込)とリーズナブルです。
また、汎用性については普通程度で全体的に初心者向けの商品であり、手軽に電子回路を学びたい人におすすめの商品です。
後ほど説明しますが、お試しで購入してあとから電脳サーキットにアップグレードをするという方法もあります。
電脳サーキット100の特徴
「電脳サーキット100」は、パーツの内容量が29個で、実験数は101通りと、基礎的な電子回路の構成を学ぶのに十分な内容です。
箱のサイズは24.5×38×4.5[cm]と非常にコンパクトで、収納性に優れています。
価格は定価で6,490円(税込)とリーズナブルすが、パーツ内容量が少ないため汎用性についてはあまりありません。
初めての電子回路の組み立てに最適な商品として、手軽に始めたい人におすすめです。
電脳サーキット300と同様にお試しで購入してあとから電脳サーキットにアップグレードをするという方法もあります。
電脳サーキットをお得に安く買う方法


電脳サーキットをお得に購入するには、Amazon、楽天、Yahooなどのネットショッピングサイトでキャンペーン期間中に購入するのがおすすめです。
公式サイトでは通常は値引きが行われていないため、ネットショッピングサイトのキャンペーン中に購入することで割引価格で購入することができます。
電脳サーキットをアップグレードする


電脳サーキットにはアップグレードパーツが用意されています。
具体的には電脳サーキット100から500へアップグレードする「電脳サーキット アップグレードキット100to500」と、電脳サーキット300から500へアップグレードする「電脳サーキット アップグレードキット300o500」です。
容易にアップグレードできる一方でデメリットもあります。
それは、最初から「電脳サーキット500」を買うよりも金額が高くなることです。
「電脳サーキット300」からアップグレードした場合は約1500円。
「電脳サーキット100」からアップグレードした場合には約1000円高くなります。
最初に購入する電脳サーキットのシリーズを検討する際には差額分の金額を考慮したうえでおこなう必要があります。
電脳サーキット アップグレードキット100to500
電脳サーキット アップグレードキット300to500
【基本】電脳サーキット500の使い方
使用前の注意事項
子供のおもちゃ用に開発された「電脳サーキット」は簡単・安心に使えるのが特徴ですが、使用時の注意事項があります。
取り扱い説明書にがありますが、回路をショートさせないということです。
記事冒頭でも少しふれましたが、子供用に安全に考慮して開発された「電脳サーキット」ですので、電源BOX内にリセッタブルヒューズが内蔵されており、万が一ショートさせてしまった時でも大電流が流れないように安全への配慮をしています。
あくまでも、意図しないショートが起きた時のためのものですので基本的にはショートをさせずに使用することが大切です。


使用方法
電脳サーキットの基本的な使い方は電脳サーキットに同封されている説明書通りに回路を組み立てて、回路がどのように作動するのか?作動しなかったらなぜ作動しなかったのかを考えていきます。
一つでも回路を間違えると、正常に作動しないので「なんで作動しないの??」ってなります。
この「なんで?」と考えることがでとても勉強になります。
まずは付属されている取り扱い説明書の中の回路を組んでみることからはじめます。


こちらが電脳サーキットの取り扱い説明書です。
私が購入したのは並行輸入品だったので英語表記になっていますが、日本版を購入すれば日本語表記になります。
※並行輸入版の取扱説明書は解読するのに時間がかかるので正規品を買えばよかったと後悔しています。
まずは試しに【プロジェクト1】の回路を作成してみます。


【プロジェクト1】の回路です。
電源とON、OFFスイッチ、電球のみ単純な回路です。
こんな単純な回路でもサーキットテスタを使用すれば電気の勉強が可能です。
例えば、スイッチON状態でサーキットテスタの+プローブを電球の上流側に接続、電源のマイナス端子に-プローブを接続した場合の電圧はどうなるでしょうか?
頭のなかでは、電源電圧(約3V)が測定できるとわかっていても本当にそうなるのか?という疑問を電脳サーキットを使用すれば簡単に解決することが可能です。
次にもう少しだけ複雑な回路に挑戦してみます。


次に作成するのは【プロジェクト49】です。
こちらの回路は使用されているパーツは
・LED
・スライド式Oスイッチ
・プッシュ式Oスイッチ
・100Ωの抵抗
この回路をとても単純な回路ですが、電気回路が苦手な人にとっては混乱する回路かもしれません。
この回路でのポイントは「電気は流れやすい方に流れる」ということです。
実際に回路を作成して解説していきます。


【スイッチの状態】
・プッシュスイッチON
・スライドスイッチOFF状態
この状態では、100Ωの抵抗を経由した電気はプッシュスイッチを経由して電源のマイナス端子に戻ります。
この現象はLEDとプッシュスイッチの電気の流れやすさ(抵抗)を考えた場合、プッシュスイッチの方がはるかに電気が流れやすいために起こります。この為LEDは点灯しません
電源を直接アースに落としたらショートしてしまうのでは?と思うかもしれませんが、電源側に接続されてた100Ωの抵抗を経由してアースに落ちているので、ショートにはなりません。


【スイッチの状態】
・プッシュスイッチOFF
・スライドスイッチON
この状態では、プッシュスイッチONの時と同様に電源→100Ω抵抗→スライドスイッチ→アース回路が成立するためLEDは点灯しません。


【スイッチの状態】
・プッシュスイッチOFF
・スライドスイッチOFF
最後の回路は両方のスイッチがOFF状態です。
両方のスイッチがOFFの状態では、両スイッチの抵抗が無限大と考えられます。
よって、電源→100Ω抵抗→LED→アース回路が成立してLEDが点灯します。
このように取り扱い説明書に記載されている回路図を作成するだけでも、電気が苦手な人にとってはとても勉強になります。
電気回路の基礎を学ぶのであれば、まずは取り扱い説明書の回路を制覇してみる事をおすすめします。
【電脳サーキット500を使い倒す】車の回路を再現する
電脳サーキットの使用方法は取り扱い説明書通りに回路を作成するだけではありません。
車で使用されている実際の回路を再現することも可能です。
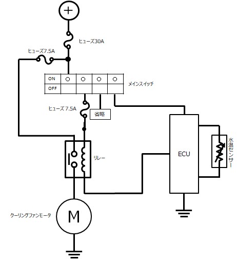
試しに図1のクーリンファンモータの回路を電脳サーキットを用いて作成します。
回路図の見方を詳しく解説した記事はこちら




クーリングファンモータの回路作成に使用する主なパーツ


①リレー
②電源
③スライド式可変抵抗
④NPN型トランジスタ
⑤スライド式スイッチ
⑥モータ
電脳サーキットでクーリングファンモータの回路を作成
上記のパーツを組み合わせると図2のようにクーリングファンモータの回路を作成することができます。
この回路でのポイントは水温センサーとECUを電脳サーキットにあるパーツで置き換えていることです。
置き換えた部品は以下の通りです。
| 回路図 | 電脳サーキット |
|---|---|
| 水温センサー | スライド式可変抵抗 |
| ECU | NPN型トランジスタ |
ECUの制御について詳しく解説した記事はこちら


組み立て手順
※()内は回路図のパーツ名を示す






























各パーツを組み合わせて作成した回路が図2です。


クーリングファンについて詳しく解説した記事はこちら


この回路がどのように作動するのか動画で確認してみましょう。
厳密にいうと今回作成したクーリングファンモータの回路は完全再現ではありませんが、この回路のポイントである水温の変化に伴ってECUに入力する電圧が変化することによりクーリングファンのON↔OFFを制御していることは再現できています。
回路を学ぶ上で自分で考えて任意の回路を再現できることは学習効率を飛躍的にアップさせます。
このように電脳サーキットでは簡単に車の回路を再現することが可能です。
【電脳サーキットを使い倒す】サーキットテスタで電圧の測定
サーキットテスタでの測定の実践編です。
先ほど作成したクーリングファンモータの回路を使用してサーキットテスタで電圧測定を行います。
まずやるべき事は正常な電圧を回路図から読み取りです。
回路図の見方がわからない方はこちらの記事を参考にしてください。


水温センサー信号線の電圧


【クーリングファンモータ停止時】
<測定条件>
・メインスイッチON
・水温センサー低温時
ECU(NPN型トランジスタ)に入力している水温センサーの電圧は0.690V。
この電圧ではECUがリレーをONしないためクーリングファンモータに電圧が印加せずクーリングファモータは作動しません。
次に疑似的に水温温度(スライド式可変抵抗)を上げてみましょう!


【クーリンファンモータ作動時】
<測定条件>
・メインスイッチON
・水温センサー高温時
水温が上昇したことにより、水温センサーからECUに入力される信号電圧が0.744Vに変化しました。
その結果、ECUがリレーをONしたことによりクーリングファンモータに電圧が印加されクーリングファンモータは作動します。
モータ(クーリングファン)上流の電圧測定


【クーリングファンモータ停止時】
<測定条件>
・メインスイッチON
・水温センサー低温時
上記の状態では、ECUがリレーをONしないためモータ上流には電圧が印加されずに0Vを表示します。
先ほどと同様に水温センサー(スライド式可変抵抗)の温度を疑似的に上げてみます。


【クーリングファンモータ作動時】
<測定箇所>
モータ(クーリングファン)の駆動電圧
<測定条件>
・メインスイッチON
・水温水温センサー高温時
この状態ではECUがリレーをONするため、モータ上流には電圧が印加され約2.7Vを表示します。
リレーコイル側下流の電圧測定


【クーリングファンモータ停止時】
<測定条件>
・メインスイッチON
・水温センサー低温時
この状態ではECUがリレーをONしないため、リレーコイル下流側はアースされず、電圧は印約2.2V(ほぼ電源電圧)を表示します。


【クーリングファンモータ作動時】
<測定条件>
・メインスイッチON
・水温センサー高温時
この状態ではECUがリレーをONするため、リレーコイル下流側がアースされ回路が成立し、電圧は0Vを表示します。
電脳サーキットでは回路を作成するだけではなく、サーキットテスタを使用することで実践的電気回路を学ぶことができます。
車両で学習するとなると、パネルを外してカプラを探しそのカプラの中から任意の端子を探しださなければ電圧測定することができません。
これでは時間と手間がかかるため効率的な学習ができず、なかなか電気回路の故障診断スキルが向上しません。
私自身、実際に「電脳サーキット」を使用してみて効率的に電気回路の勉強をするには電脳サーキットを使用することが効果的だと実感しています。
まとめ
電脳サーキットは安全で簡単に電気回路の作成をして電気回路に理解をより一層深めることができるとても優れた商品です。
車の電気回路は一度わかってしまえばとても大きなスキルになります。
この記事を参考に効率的な電気回路の勉強を方法を見つけて頂けたら幸いです。
それでは良いメカニックライフを🚙
よろしくメカニッ君🐶🐶








