・クーリングファンモータが壊れるとどうなる?
・クーリングファンの故障診断で困っている
・車の構造を勉強したけど独学には限界がある
・クーリングファンの作動原理を知りたい
・子供に車の構造や電気の事わかりやすく教えてあげたい
このようなお悩みを抱えている方はいませんか?
4649メカニッ君コンニチハ!
30代半ばで国家1級整備士一発合格。
整備士技術コンクール全国大会3年連続出場。
うち2回は2位を獲得。
整備士歴15年
自分のスキルが人の役に立つ事を夢見て記事を書いている
4649メカニッ君と申します。
今回は上に記載した疑問に答えるべく
今回はクーリングファンの作動原理を図解を使用してわかりやすく解説します。
子供が大きくなってくると、「勉強を教えてほしい」、「なんでこうなるの?」みたいに多くの質問を受ける事があります。
この記事を読めばクーリングファンの作動原理と電気回路が理解できる事で、お子さんの質問に対して自信を持って答える事ができるようになります。
その他にも、クーリングファンに関わる故障診断している方、車の構造を勉強中の方にも役立つ情報になっています。
クーリングファンが壊れるどうなるのか
クーリングファンが壊れた場合に発生する症状は以下の通りです。
- メータ内の水温計は上昇する。または、水温高温警告灯が点灯する
- エアコンの冷風がでなくなる
- オーバーヒートによりエンジン不調が発生する
クーリングファン故障の原因
クーリングファン故障の多くの原因は経年劣化です。
家庭で使用する扇風機は、夏にしか使用せず、使用環境もさほど変化するわけではないため、スイッチ部や基盤部は別ですがモータ部が壊れるイメージはあまりありません。
一方、クーリンファンモータはエンジンルームという過酷な環境のなか1年中作動し続けており、長年使用しようしていれば経年劣化により壊れてしまいます。
クーリングファンとは
クーリングファンの役割
- クーリングファンは冷却水の冷却を行う事で間接的にエンジンの温度を下げている。
- エンジンの温度を適正に保つ事でエンジンの性能を最大限に発揮する。
エンジン内部ではガソリンと空気が混ざった混合気があり、その混合気に点火プラグにて点火する事で内部で爆発が起き、ピストンを押し下げる力を回転力に変化させ、トランスミッションを経由してタイヤに伝えています。
エンジン回転中は内部で常に爆発が起きいるのでエンジン全体が熱を持ちます。
この熱が一定以上の高温になると、エンジンに損傷を及ぼす可能性があります。
これがいわゆる「オーバーヒート」です。
オーバーヒートを防止する仕組みとしてエンジン内部に冷却水を循環させ、循環経路内のラジエターに走行風が当たることで冷却水温度を低下させています。
走行風が当たらない停車中では強制的にラジエターに風を送る必要があります。
この時に活躍するのが「クーリングファンモータ」です。
停車中など冷却水温度が一定の温度より上昇するとクーリングファンが作動して冷却水温度を低下させます。
エンジンの損傷を防ぐと同時にエンジンを適正な温度に保つ役割をしています。
※エンジンを冷やす方式は様々ありますが、今回は水冷について解説します。
エンジンの冷却をしているクーリングファンが故障するとどのような症状がでるのでしょうか?
クーリングファンの作動原理



クーリングファンがラジエタを通じて間接的にエンジンを冷却している事はわかりました。でもずっとクーリングファンが回っていたら冷えすぎるし、逆に回らなければエンジンがオーバーヒートしちゃうし、どうやってコントロールしてるの?



それは、ずばりECU(コンピュータ)でコントロールしています。
どのようにコントロールしているのか見てみましょう。
エンジンにはエンジン内部の水温を測定する為の水温センサーが装着されています。
水温センサーは温度により抵抗値が変化する可変抵抗です。
温度によって変化した抵抗により、ECUに入力する電圧が変化します。
その変化した電圧を水温として検知しています。
ECU内では車両状況(冷却水温等)に応じて、クーリングファンをON/OFFするプログラムが書き込まれています。
ECUでクーリングファンをONすると判断すると、クーリングファンを作動させる信号を出力します。
- 水温センサーで測定した水温を基にECUがクーリングファンのON/OFFをコントロールしている
回路図を用いてクーリングファンの作動を解説
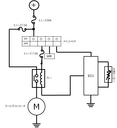
回路図から構成部品の洗い出し
回路図の見方がわからない方はこちらの記事が参考になります。


- バッテリ
- ヒューズ(30A×1、7.5A×2)
- メインスイッチ
- ECU
- 水温センサー
- リレー
- クーリングファンモータ
- アース
- リセス
回路図の簡略化



回路を簡略化すると図2の様になります。


電気の流れ
電気の入口。バッテリ
過電流が流れた際に、ヒューズが切れる事により回路を遮断する安全装置。



メインスイッチは図1で示した通り
ON状態ではすべての分岐が繋がり下流に電気を流す。
OFF状態ではすべての分岐が遮断されて下流に電気を流さない。
回路図の記号は表記方法が様々です。
少しづつ慣れていきましょう


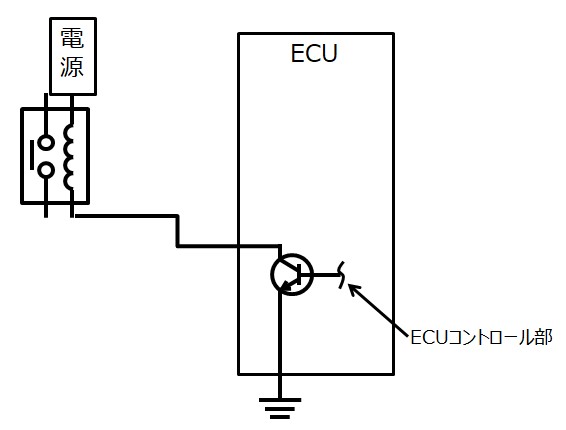
ECUが起動する事で各センサー値を検知し、アクチュエータに指示をして車両を制御する



水温センサーの作動
①メインスイッチがONになると、ECUに電圧が印加されECUが起動
②ECU内部電源→ECU内抵抗→水温センサー(可変抵抗)→ECU内部アースの順に電気が流れる。
④水温が上昇すると、水温センサー抵抗値が下がる。水温が下がると抵抗値が上がる。この特性を利用して、ECU内部の抵抗(固定値)と水温センサーの抵抗(可変抵抗)との間の電圧を水温として検知している。





水温が上昇し、ECUがクーリングファンモータを回す判断すると、ECU内部でリレー(コイル側)下流側の接点がONし回路が成立する。


過電流が流れた際に、ヒューズが切れる事により回路を遮断する安全装置。



リレー(コイル側)の回路が成立した事により、リレーの接点がON状態になる。
ラジエタを冷却するファン。
ECUの指示を受け作動するアクチュエータ。
ボディーアースを経由してバッテリマイナス端子へ接続され回路が成立する
家庭でできる電気回路の勉強方法を知りたい方はこちらの記事をご覧ください。
クーリンファンの回路を家庭で簡単に電脳サーキットで再現してみました。


まとめ
今回は、クーリングファンの作動原理を解説をしました。
今回のポイントは
- センサーで温度を認識→ECUで判断しクーリングファンを制御→クーリングファンはECUの指示通りに作動。
- 水温センサー(可変抵抗)の特性を利用して、電圧の変化を温度に変換している。
ECUの制御って人間で例えると「気温が高い時に汗をかく」体温調整機能に似ていますよね。
人間は気温が高くなると、温度受容器で感じた温度(センサー)を脳が検知して汗腺に対して汗を出す指示を出す(ECU)。
汗腺は脳から受けた指示通りに汗を出す(アクチュエータ)プロセスにそっくりです。
この様に、車の制御にはセンサー、ECU、アクチュエータを利用して制御しているものがほとんどです。
他の制御も今回学んだ制御の基本を応用しているものが多くあります。
基本を押さえておけば、様々な事に応用が可能です。
ぜひこの記事を何度も読み、クーリングファンの作動や回路図の見方をマスターしてください。
子供に車の事を教えてあげたい方や、クーリングファン関連の故障診断でお困りの方の一助になれば幸いです。
ご要望がございましたら是非コメント欄からコメントをください。
それでは良いカーライフを
よろしくメカニッ君🐶🐶








