- そもそもリレーって何?
- リレーが故障しているか調べたい
- DIYで安全に電装品をつけたいけど、リレーの必要性がわからず困っている。
- リレーの作動がわからず回路図が読めない
このような困りごとをお持ちではありません?
4649メカニッ君コンニチハ!
30代半ばで国家1級整備士一発合格。
整備士技術コンクール全国大会3年連続出場。
うち2回は2位を獲得。
整備士歴15年
自分のスキルが人の役に立つ事を夢見て記事を書いている
よろしくメカニッ君と申します。
リレーの作動を図解を用いてわかりやすく解説します。
この記事を読めば
- リレーの基本的な仕組み
- 回路にリレーが必要な理由
- リレー故障の見分け方
が理解できて安全に電装品の取付が出来るようになります。
すぐに「リレー故障の見分け方」を知りたい方はこちらをクリックすると読むことができます。
そもそもリレーってなに?
すごく簡単に言うと「スイッチ」の一種です。
ただ、通常のスイッチとは異なり電磁石を力を利用して小さな電流で大きな電流のON/OFFをコントロールする事ができるとゆう特徴があります。
語源は運動会のリレーの意味と同義。
電気を後ろにつなぐ事から「リレー」とされた名付けられたようです。
- リレーは「スイッチ」の一種
- 小さな電流で大きな電流のON/OFFをコントロールできる
リレーの作動
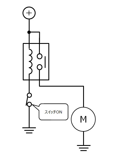
リレー回路図
簡単なリレーの回路図です。
スイッチがONする事によりモータに電流が流れて作動します。


リレーの作動原理



まずはスイッチをONにします。





スイッチがONになると、リレー内のコイルに小電流が流れてコイルが磁化します。





コイルが磁化すると、リレー内の接点が引き寄せられてONします。





リレー内の接点がONした事により、モータに大電流が流れてモータが作動します。


リレーが必要な理由
リレーが必要な理由を理解するには大きく分けて、「突入電流」「負荷の特性」「スイッチ電流容量」を知る必要があります。
突入電流と負荷の特性
「突入電流」とはスイッチをONした瞬間の発生する一時的な定常電流よりも大きい電流の事を言います。
負荷によって異なりますが、直流の場合スイッチをONした瞬間に定常電流の5倍~11倍の電流が流れます。
| 負荷 | 突入電流の目安 |
| 白熱電球 | 定常電流の6~11倍 |
| モータ | 定常電流の5~10倍 |
スイッチの許容電流
「スイッチの許容電流」はその名の通り、スイッチに流すことができる電流容量のことです。
スイッチの許容電流を超えて電流が流れた場合、スイッチの接点部が焼損するのでとても危険です。
参考ですが、DIYでよく使用される「エーモン」のスイッチのラインナップは0.2A~20Aが用意されています。
リレーが必要な理由
理由は大きく分けて3つあります。
- スイッチには許容電流があり、大電流回路に使用すると破損する。
- 運転席付近に大電流が流れる配線があると危険(事故等で配線がダメージを受けた際の感電防止)
- スイッチまで許容量に見合った太い配線を室内まで通線しなければいけない。
たとえば消費電流1Aの負荷を作動させる際の突入電流は最大で20A。
この負荷を許容電流20Aのスイッチで作動させた場合、許容電流ギリギリでありスイッチ自体の発熱や焼損の可能性があります。
スイッチは運転席周辺等の人が操作しやすい箇所に設置される事が多いです。
人が直接操作するスイッチに20Aの大電流が流れる回路があると、何かのトラブルが発生した際感電のリスクがあります。
そんな時に活躍するのが「リレー」です。
リレーを使用すれば人の近くには小電流回路用のスイッチを設置、大電流が流れるリレー自体は人が触れない箇所に設置することが可能となり、感電のリスクが大幅に軽減されます。
図1を用いて解説します。
リレー内コイル側
リレーのコイル側に流れる定格電流が0.15Aの場合、スイッチの許容電流は多く見積もっても1Aまであれば、安全に取付が可能だと考えられます。
リレー内接点側
それではリレーの接点側ではどうでしょう?
モータの定格電流が2.5A、突入電流が10倍だと仮定すると、最大で25Aの電流が流れる事になります。
これではスイッチで許容電流をカバーする事が出来ずスイッチが焼けて壊れてしまう事になります。ここでリレーを使用する事により小さな電流で大きな電流のON/OFFをコントロールする事が可能となります。


リレーの故障の種類
リレーの故障の種類には大きく分けて「コイル側の故障」「接点側の故障」の2つあります。
NO(ノーマルオープン)リレーの故障の一覧は以下の通りです。


リレー故障の見分け方
リレーの故障を見分け方には大きく分けて「リレー単体点検」「回路上での電圧点検」の2通りの方法があります。
リレー点検に必要な道具から点検方法まで順を追って解説します。
リレー点検に必要な道具
- サーキットテスタ
- 配線
- バッテリ
「サーキットテスタ」は「電圧測定」と「抵抗測定」に使用。
コスパ良く、コンパクトで使用しやすいテスタのおすすめはこちらです
「配線」はバッテリとリレーの接続に使用
おすすめの配線はこちら
「バッテリ」はリレーコイル側への電源供給に使用。
車両のバッテリを使用して点検可能です。
リレーのコイル側と接点側の端子を見分ける方法
リレーの単体点検をする時に、コイル側の端子と接点側の端子どっちだろうって迷うことがあります。
それぞれの端子には「端子の幅」に特徴があります。
| 端子の種類 | 特徴 | 画像 |
| コイル側 | 端子が細い | ![]() ![]() |
| 端子側 | 端子が太い | ![]() ![]() |
リレー単体での故障の見分け方


- バッテリのプラス端子、マイナス端子に接続する
- バッテリに接続した瞬間、リレーから「カチッ」音が聞こえる事を確認する
※「カチッ」音が聞こえない場合はリレーの故障が考えられます。


- サーキットテスタを「抵抗レンジ」にしてプラスプローブとマイナスプローブをリレーの接点側端子(太い方)に接続する。


【正常リレーの場合】
- 抵抗値が0Ωと表示される


【不良リレーの場合】
- 抵抗値が0Ω以上と表示される
※OL表示は無限大抵抗を意味する
回路上での見分け方
回路上でのリレーの見分け方は電圧測定によって行います。
ここでは車によく使用される4極リレーについて解説します。
点検方法はリレーの「コイル側上流」「コイル側下流」「接点側上流」「接点側下流」の各電圧を測定することで診断可能です。
詳細は以下の通りです。
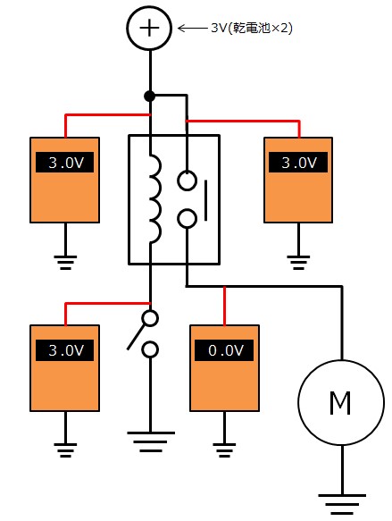
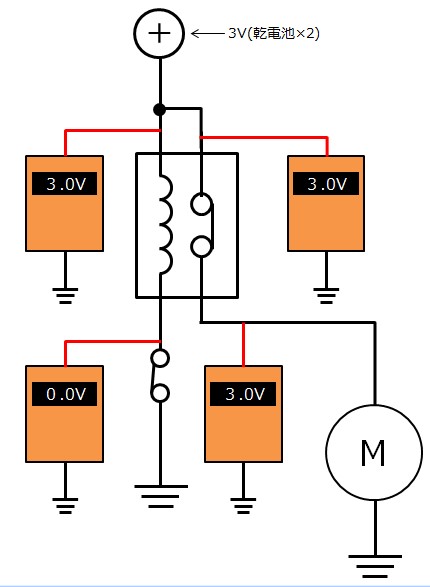
正常作動の電圧測定
まずは正常な電圧を確認します。
異常を見分けるには「正常な電圧」を知っていることが大前提となります。
| 状態 | 電圧 |
| 正常時 スイッチOFF | ![]() ![]() |
| 正常時 スイッチON | ![]() ![]() |
正常な電圧の見方がわからない方はこちらの記事をご覧ください。


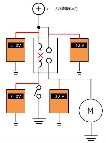
リレーコイル側断線時の見分け方
| 不具合内容 | 電圧 | 見分け方 |
| 【コイル側断線時】 スイッチOFF | ![]() ![]() | ・コイル側下流の電圧が0V |
| 【コイル側断線時】 スイッチON | ![]() ![]() | ・接点側下流の電圧が0V |
リレーコイル側短絡時の見分け方
| 不具合内容 | 電圧 | 見分け方 |
| 【コイル短絡時】 スイッチOFF | ![]() ![]() | ・スイッチOFF状態で見分ける事は不可能 |
| 【コイル短絡時】 スイッチON | ![]() ![]() | ・スイッチをONした瞬間に上流のヒューズの溶断 ・コイル側上流の電圧が0V ※この回路の場合モータが短絡しても同事象となる |
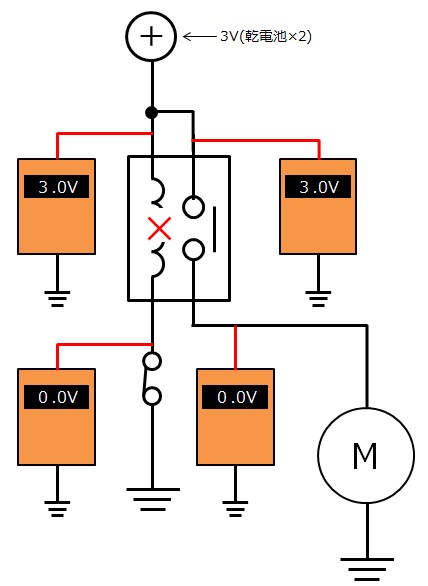
リレー接点側OFF固着故障の見分け方
| 状態 | 電圧 | 見分け方 |
| 【接点側OFF固着故障】 スイッチOFF | ![]() ![]() | ・スイッチOFF状態ではOFF固着を判断することは不可能 ・スイッチON時の状態を加味して総合的に判断することが必要。 ここで確認しておくポイントは「コイル側下流の電圧が3V」である事。 このことから「コイル断線は無い」と判断できる。 |
| 【接点側OFF固着故障】 スイッチON | ![]() ![]() | ・接点側下流の電圧が0V ①スイッチOFF状態で「コイル断線」はない事を確認済み。 ②コイルが作動しているにも関わらず接点側下流の電圧が0V。 ③接点がONしていないと判断。 |
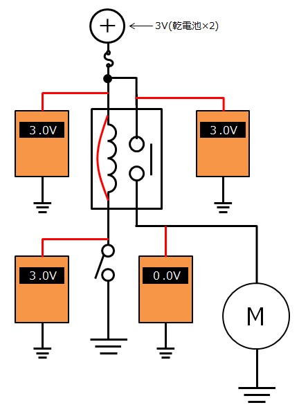
リレー接点側ON固着の見分け方
| 不具合内容 | 電圧 | 見分け方 |
| 【接点側ON固着故障】 スイッチOFF | ![]() ![]() | ・コイル側下流の電圧3V ・接点側下流の電圧3V |
| 【接点側ON固着故障】 スイッチON | ※正常時のスイッチON状態と同様のため省略 |
リレーに振動を与えてリレーの故障を見分ける方法(加振法)
電化製品が壊れた時に軽く叩いて直るか試したことがある人も多いかと思います。
この「軽く叩いて変化があるか確認する」ことが加振法です。
リレーが作動条件の時に、マイナスドライバーの柄などでリレーを軽く「コンコン」と振動を与えます。
その時に、リレーから「カチッ」音が発生し同時に装置が作動したらリレーに故障があると判断できます。
この方法の注意点は、「リレーを叩き過ぎない」ことです。
この手の故障の場合、軽くリレーに振動を与えるだけでリレーが作動することがほとんどです。
軽く振動を与えてもリレーが作動する気配がない場合にはサーキットテスタを使用して故障診断が必要となります。



加振法でリレーを診断する時は【軽く振動】を与える。
叩き過ぎはリレー本体や周辺部位を損傷させてしまうので注意!!
まとめ
今回はリレーの「作動原理」「リレーの必要性」「リレー故障の見分け方」について解説しました。
これらを理解することは、「そもそもリレーってなに?」「DIYで安全にスイッチやリレーを使用する方法は」「リレーが故障診断をしたい」の様な悩みの解決になります。
リレーは車両にはよく使用される装置ですので理解しておいて損はありません。
この記事がDIYやリレーの故障診断の一助になれば幸いです。
それでは良いメカニックライフを
よろしくメカニッ君🐶🐶























