- 回路図の見方がわからない。
- フューエルポンプの作動原理ってどうなっているの?
- 車の構造を知りたいけど勉強に仕方がわからない。
このような疑問をお持ちではないでしょうか?
4649メカニッ君コンニチハ!
30代半ばで国家1級整備士一発合格。
整備士技術コンクール全国大会3年連続出場。
うち2回は2位を獲得。
整備士歴15年
自分のスキルが人の役に立つ事を夢見て記事を書いている
4649メカニッ君と申します。
今回はフューエルポンプの作動原理について図解を用いてわかりやすく解説します。
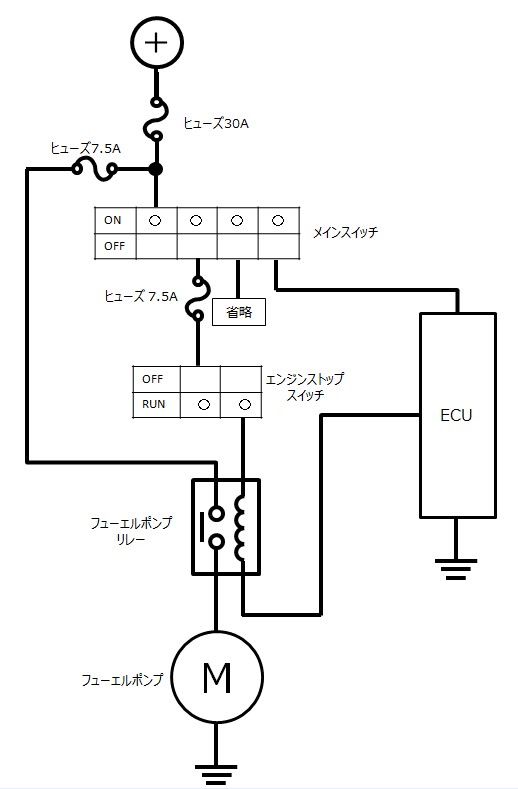
記事で使用している回路図は2輪車の回路図ですが、回路図の見方や作動原理を調べる場合にはこの回路図で事足ります。
基礎を学ぶには最適な回路図です。
まずはこの回路図に掲載されているすべての装置の作動を理解できる事を目指します。
すべての回路上の装置の作動が理解できる頃には、4輪車の回路図も必然的に読める様になっています。
フューエルポンプとは
役割
フューエルポンプは燃料ポンプとも呼ぶ事があります。
その名の通りポンプですので、電気の力でモーターを回してエンジンに燃料を圧送する事が役割です。
エンジンに燃料を供給する際には、良い燃焼状態を維持する為一定の圧力で燃料を送る必要があります。
この圧力が乱れると、エンジン不調やエンスト等の不具合が発生する事があります。
車にとってなくてはならない大切な部品です。
燃料ポンプの機械的作動原理


フューエルポンプが作動すると燃料が圧送される
余剰燃料圧力はプレッシャーレギュレータにて圧力を逃がす。逃がした燃料はタンク内に戻される。
どのようにフューエルポンプの冷却と潤滑を行っているのか?
フューエルポンプの冷却と潤滑はどのように行っているのでしょうか?
それは「燃料自体」で行っています。
燃料自体を潤滑油として使用し、同時に燃料にてフューエルポンプの冷却を行っています。
これらを踏まえると、車両を使用する上で注意しなければいけないことがある事に気が付きます。
気を付けるべきは「ガス欠時の空回し」です。
ガス欠時の空回しは危険!?
結論からいうとガス欠時の燃料ポンプの空回をし過ぎることは「危険」です。
燃料ポンプの「潤滑」と「冷却」は燃料自体で行っているお話しました。
ガス欠状態では、燃料がないことにより潤滑と冷却ができない状態となります。
潤滑と冷却ができない状態でから回し過ぎた場合には、燃料ポンプが熱を持ち「故障の原因」になることがあります。
実際にガス欠が原因でエンストしたのちにエンジン始動を繰り返して燃料ポンプの端子が溶けている車両を見たことがあります。
実際に発生する事象ですのでエンストや始動不良の原因がガス欠とわかっている場合には、無理にエンジン始動を試みず早急に燃料を補給することをオススメします。
プレッシャーレギュレータの作動


【プレッシャーレギュレータバルブ閉】
燃料圧力が低い状態ではプレッシャーレギュレータ内のバルブが閉状態になる。この状態ではフューエルタンクに燃料が戻らず、燃料圧力は上昇する。


【プレッシャーレギュレータバルブ開】
燃料の圧力が上昇するとプレッシャーレギュレータ内のばねの力に燃料圧力が打ち勝ちバルブが開状態になる。この状態ではフューエルタンクに燃料が戻り、燃料圧力は減少または一定の圧力を保つ。
燃料ポンプの電気的作動原理
それでは作動原理を確認していきましょう。
エンジンストップスイッチ、ECUへ電気を供給。この時、ECU内でフューエルポンプリレーコイルの回路をアースに落としフューエルポンプリレーコイル側の回路が成立。
リレーユニット内フューエルポンプリレーコイル側へ電源供給。
フューエルポンプ上流側に電源が印加されフューエルポンプが作動する
- ECUにてフューエルポンプリレーコイル側の回路をコントロールしている
どうやってエンジンに供給する燃料の量を調整しているのか?
プレッシャーレギュレータによって燃料圧力を一定した場合、エンジンに供給する燃料の量はどうやって調整しているのでしょうか?
燃料の量は「インジェクタの開弁時間」を調整することによって行っています。
アクセルペダルを踏んで加速しようとした時には、燃料を多く噴射するために「インジェクタの開弁時間」を長くします。
逆に低速走行中などで噴射量を少なくしたい場合には「インジェクタの開弁時間」を短くします。
このように、プレッシャーレギュレータによって一定の圧力に保たれて燃料をインジェクタの開弁時間を調整することで最適な燃料噴射量を実現しています。
燃料ポンプに関連する部品が故障するとどうなるの?
燃料ポンプが故障すると、様々はエンジン不調が発生します。
装置ごとにどのようなエンジン不調が発生するのか解説していきます。
燃料ポンプが故障したらどうなるの?
燃料ポンプが故障した場合には、「エンジン不調」「エンジン始動不良」「エンジンストール(エンスト)」が発生する可能性があります。
| 想定故障内容(例) | 不具合内容(例) |
| 燃料吐出量低下 | フューエルポンプ不具合により燃料が薄くなり「エンジン不調」に至る |
| 作動しない | フューエルポンプ不具合により燃料が圧送されず「エンジン始動不良」に至る 走行中のフューエルポンプ不具合により燃料が圧送されず「エンスト」に至る 異物の嚙みこみや何らかの不具合によってモータに過大な負荷がかかる場合、フューエルポンプ上流のヒューズが溶断することにより、突然「エンスト」や「始動不良」に至る |
プレッシャーレギュレータが故障したらどうなるのか
| 想定故障内容(例) | 不具合内容(例) |
| バルブ閉不良 | 燃料が薄くなり「エンジン不調」に至る。 場合によっては「エンスト」や「始動不良」に至る。 |
| バルブ開不良 | 燃料が濃くなり「エンジン不調」に至る。 場合によっては「エンスト」や「始動不良」に至る。 |
回路図を用いてフューエルポンプの作動を解説
回路図の見方がわからない方は先にこちらの記事を御覧ください。


回路図から構成部品の洗い出し例
- バッテリ
- ヒューズ×3
- メインスイッチ
- エンジンストップスイッチ
- リレー
- フューエルポンプ
- ECU
- リセス
- アース
回路図の簡略化



フューエルポンプの回路図を簡略化すると図2の様になります。


電気の流れ
電気の入口。バッテリ
過電流が流れた際に、ヒューズが切れる事により回路を遮断する安全装置。



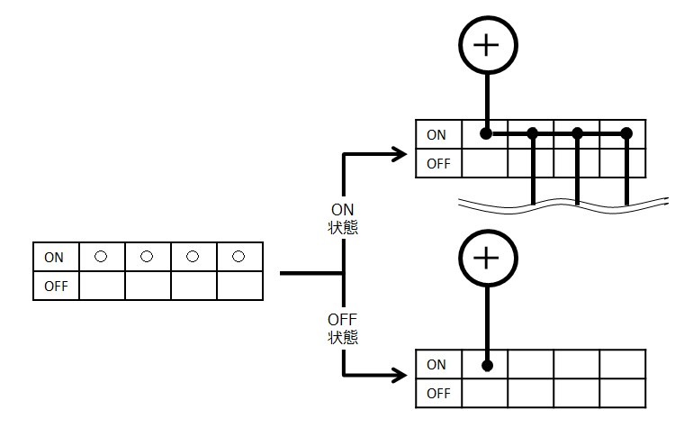
メインスイッチは図1で示した通り
ON状態ではすべての分岐が繋がり下流に電気を流す。
OFF状態ではすべての分岐が遮断されて下流に電気を流さない。
回路図の記号は表記方法が様々です。
少しづつ慣れていきましょう


ECUが起動する事でフューエルポンプリレーコイル側下流のアース回路が成立する。



エンジンストップスイッチを「RUN」状態にする事でフューエルポンプリレーコイル側の回路が成立してリレー接点がON状態になる。
リレーの作動についてはこちらの記事を参考にしてください。


過電流が流れた際に、ヒューズが切れる事により回路を遮断する安全装置。



リレー(コイル側)の回路が成立した事により、リレーの接点がON状態になる。
エンジンに燃料を圧送する為のポンプ。
フューエルポンプリレーの接点が「ON」したフューエルポンプ上流に電圧が印加される。
ボディーアースを経由してバッテリマイナス端子へ接続され回路が成立する
フューエルポンプが作動する。
まとめ
今回はフューエルポンプの作動について解説してきました。
回路を読み解く上でのポイントは
- 対象装置がどうやったら作動するのかを考える
この考え方がポイントとなります。
今回の場合、フューエルポンプが作動するにはフューエルポンプリレー接点がONにならなければなりません。
では「どうやったらフューエルポンプリレーの接点がONになるのか?」を考えると、フューエルポンプリレーコイル側の回路を成立させる必要がある事に気が付きます。では「どうやったらコイル側の回路が成立するのか?」という様に
「なぜ?なぜ?」を繰り返す事が必須となります。
これが、回路図が読み取れるようになると、論理的思考が身につく理由です。
最初から読み解く事は難しかもしれませんが、継続して訓練する事で誰でも必ずできる様になります。
それでは良いメカニックライフをお過ごしください。
よろしくメカニッ君 🐶🐶









